Opis produktu

Przekładnia walcowa jednostopniowa typu M4 służy do przeniesienia ruchu z elementu napędowego (silnika) na napędzany z jednoczesną zmianą parametrów ruchu. Występuje w 5-ciu rozmiarach M41/ M43 / M45 / M47 / M49. Przekładnie M4 są stosowane w wielu wersjach przenośników ślimakowych.

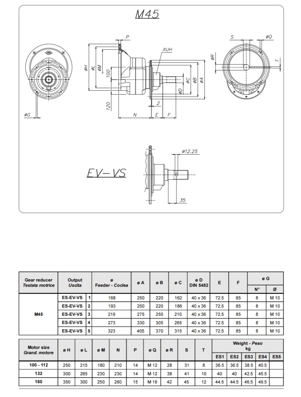
Waga 46,5 kg
Rozmiar przekładni

M45

Przełożenie

1:5

Rozmiar silnika

160

Moment nominalny przenoszony na wał wyjściowy

do 1500 Nm

Olej

tak – do pracy w temperaturze otoczenia (0°C – 40°C)

Średnica podajnika

219 mm

Opcja

uszczelnienie wałka XUH

Pliki do pobrania