Nazwa: SU podajniki ślimakowe jednowałowe
Kategoria: Przenośniki i podajniki ślimakowe
Producent: WAM
Opis produktu
Jednowałowe podajniki ślimakowe SU, w zależności od przekroju poprzecznego otworu wylotowego silosu, dostępne są ze standardowym korytem typu „U” i z korytem o poszerzonym wlocie o przekroju „V”. Podajniki SU produkowane w wersji nisko-obciążeniowej stosowane są w podawaniu mąki oraz materiałów o podobnej gęstości nasypowej i własnościach. Wersja wysoko-obciążeniowa przeznaczona jest natomiast do podawania karmy zwierzęcej i podobnych produktów. Podajniki ślimakowe SU są dostępne w wersji ATEX, strefa 22.
Zastosowanie:
Niektóre materiały sypkie i ziarniste wykazują tak słaby przepływ, że nie mogą być przechowywane w silosach z okrągłym stożkiem wylotowym. Silos zwyczajnie nie zostanie opróżniony. Takie materiały (np. mąka) wymagają przechowywania w silosach o bardziej stromym stożku i podłużnym otworze wylotowym. Podajniki ślimakowe typu SU ze swoim odcinkiem koryta wlotowego odpowiadają kształtowi wylotu silosu. Sekcja koryta zostaje połączona z rurową sekcją dla skutecznego podawania materiału w celu dalszego przetwarzania.
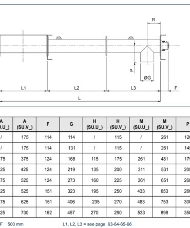
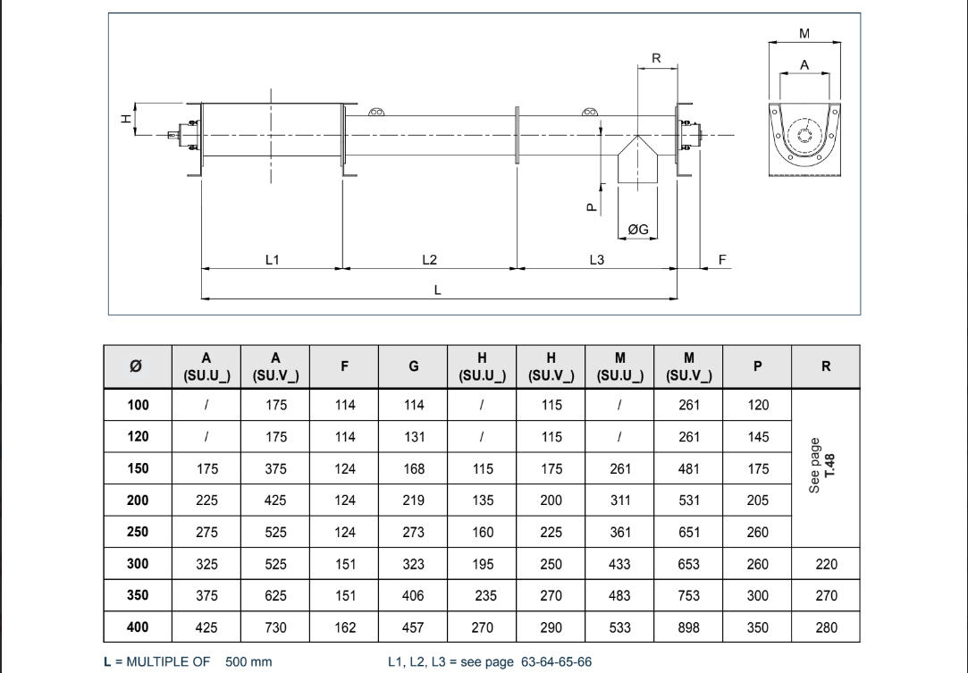
Dane techniczne:
• Szeroki zakres dostępnych średnic rur zewnętrznych: od 100 do 400 mm
• 3 opcje napędu: bezpośredni, z półelastyczną przekładnią ze sprzęgłem, z przekładnią łańcuchową lub pasową
• Napędy mocowane na końcach wlotowym i wylotowym
• Łożyska końcowe z samonastawnym uszczelnieniem wału
• Wielowypustowe lub palcowe sprzęgła wału
• Nisko lub średnio-obciążeniowe koryto w modułowych odcinkach z kołnierzem produkowane ze stali węglowej
• Nisko lub średnio-obciążeniowe spirale śrubowe helikoidalne przyspawane do rury centralnej, produkowane ze stali węglowej
• Otwarty przekrój koryta z nawierconym kołnierzem korytowym w standardzie WAM®; okrągły wylot z nawierconym kołnierzem w standardzie WAM®
• Malowane proszkowo
• Solidny korpus żeliwny, zespoły łożysk końcowych kołnierzowych z zewnętrznymi łożyskami i ręcznie regulowanymi uszczelkami dławikowymi



